Wodurch Wird Bei Einer Federspeicher Bremse Die Bremsung Bewirkt

Wodurch Wird Bei Einer Federspeicher Bremse Die Bremsung Bewirkt. Bremsen Wird diese Feder nicht durch Luftdruck zusammengedrückt löst sich keine Bremse, anders rum, sollte der Zug Luft verlieren, gehen die Bremsen durch die Federkraft zu und bremsen. Alle Fahrschulbögen in allen Führerscheinklassen für Ihre Fahrprüfung üben.

Bremsen
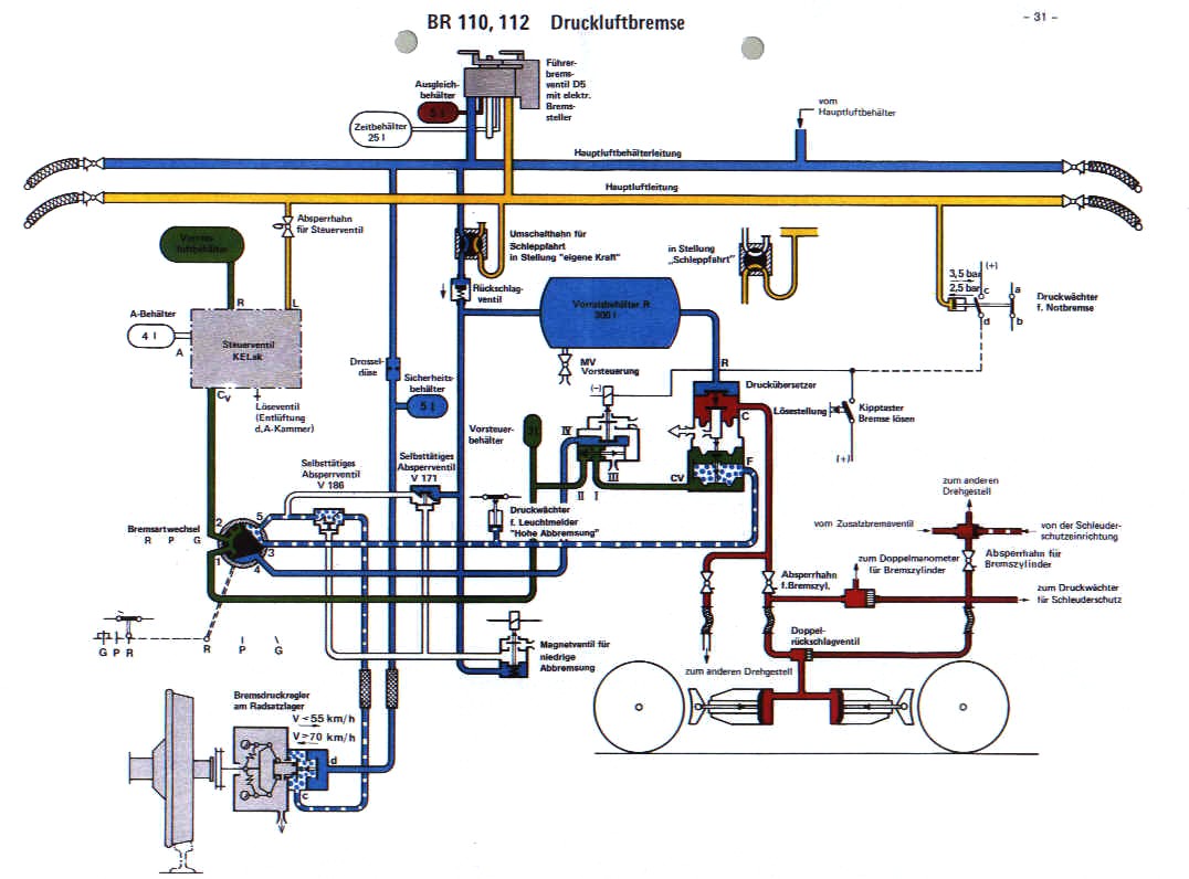
Bremsen from www.br110.de

Handbremse anlegen: Der Zylinder wird wieder entlüftet, was zur Folge hat, dass die Feder die Bremsbeläge gegen die Bremsscheibe beziehungsweise die Bremstrommel drückt Federspeicher wird diese Bremse deshalb genannt weil die komplette Bremskraft, die über Zangen und Bremsbelägen an den Bremsscheiben ankommt, aus einer Feder stammt

Bremsen

Jede Prüfungsfrage wird erklärt und kann kommentiert werden Lernen Sie bei 123-Fragebogen.de schnell und sicher für Ihren Führerschein Jede Prüfungsfrage wird erklärt und kann kommentiert werden

Für Einsteiger Aufbau und Bezeichnungen (Bremssystem). Designed by C.B. & M.B. & L.R. & V.K. Handbremse anlegen: Der Zylinder wird wieder entlüftet, was zur Folge hat, dass die Feder die Bremsbeläge gegen die Bremsscheibe beziehungsweise die Bremstrommel drückt Wodurch wird bei einer Federspeicher-Bremse die Bremsung bewirkt? 1) Durch Federkraft 2) Durch einströmende Druckluft 3) Durch die Betätigungskraft des Fahrers (Frage: 2.7.06-213) Lerne für den Führerschein Kostenlos Aktuell TÜV | DEKRA

Das Bremssystem des Autos Aufbau, Teile und Funktion. Wodurch wird bei einer Federspeicher-Bremse die Bremsung bewirkt? - A) Durch Federkraft B) Durch einströmende Druckluft C) Durch die Betätigungskraft des Fahrers Federspeicher wird diese Bremse deshalb genannt weil die komplette Bremskraft, die über Zangen und Bremsbelägen an den Bremsscheiben ankommt, aus einer Feder stammt